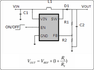
自动反推 R2 值
反推公式:
R2 = R1 / ((V_OUT / V_REF) - 1)
V_OUT (V):
V_REF (V):
R1 (Ω):
R2: 等待计算结果...